24%
OFF
GO LOCAL
| Company | Stock | Price |
|---|---|---|
MIKROE-6833
7 g
Status:
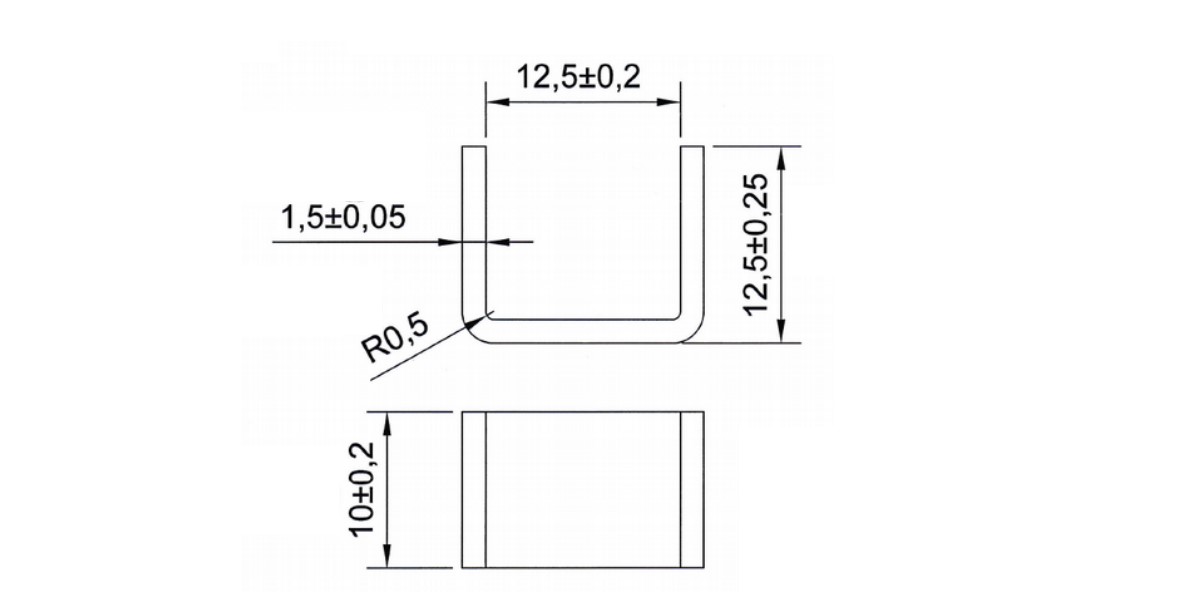
Ferromagnetic Shield U-Shield Ni-Fe (U12.5-10-12.5-1.5) provides superior magnetic field control for planar current-sensing applications by protecting magnetic sensors from parasitic fields and improving their sensitivity and signal-to-offset ratio. Made from a nickel-iron alloy with a thickness of 1.5mm and a nickel content of 48%, it combines high linearity, very low hysteresis, and outstanding stability under varying conditions. Featuring a relative permeability of 100.000a.u., an initial relative permeability of 7.000a.u., a saturation flux density of 1T, a low hysteresis of 2.8A/m, and a curie temperature of 450°C, it delivers excellent magnetic shielding and signal-conditioning performance in a compact form. This combination of material quality and magnetic characteristics makes it particularly suitable for high-accuracy current-measurement systems, precision sensor assemblies, and other demanding electromagnetic environments where reliable performance is essential.
This product is no longer in stock
Availability date:
24%
OFF
| Company | Stock | Price |
|---|---|---|
Ferromagnetic shield U-Shield Ni-Fe is a soft ferromagnetic component designed to provide exceptional magnetic field control in planar current sensing applications. Manufactured from a nickel-iron alloy with a thickness of 1.5mm and a nickel content of 48%, this shield exhibits superior material characteristics including high linearity and very low hysteresis, ensuring stable performance even under varying conditions. It is intended for use with magnetic field sensors such as Hall sensors,AMR sensors, and busbar conductors, where it protects the sensing element from parasitic magnetic fields generated by adjacent conductors or other magnetic sources while simultaneously enhancing the sensor’s sensitivity and improving the signal-to-offset ratio.
With a relative permeability of 100.000a.u., an initial relative permeability of 7.000a.u., a saturation flux density of 1T, a low hysteresis of 2.8A/m, and a curie temperature of 450°C, the Ferromagnetic shield U-Shield Ni-Fe delivers outstanding magnetic shielding and signal conditioning capabilities across a broad operating range, making it an ideal choice for high-accuracy current measurement systems and other demanding electromagnetic environments.

| Parameter | Value | Unit |
|---|---|---|
| Relative Permeability | 100,000 | a.u. |
| Initial Relative Permeability | 7,000 | a.u. |
| Saturation Flux Density | 1 | T |
| Hysteresis | 2.8 | A/m |
| Curie Temperature | 450 | °C |
| Thickness | 1.5 | mm |
| Nickel Content | 48 | % |